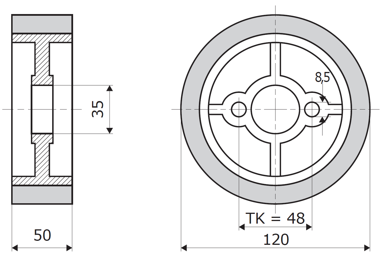
Podajalno kolo ima aluminijasto jedro, gumirano pa je s 50±5 ShA trdo, belo, gumijasto zmesjo, ki ima zelo dober oprijem in ne pušča sledi na lesu.
Primerni so za montažo na različne podajalne naprave. Po želji jih gumiramo tudi z drugo gumijasto zmesjo (pošljite povpraševanje).

